未来索引
开启左侧

Nest温控器国内应用指南

  [复制链接]
邢远 发表于 2014-7-18 12:19:44 | 显示全部楼层 |阅读模式 打印 上一主题 下一主题
0.jpg
编者按:本文作者为宅客观察团成员朱磊,作者邮箱zshrek@qq.com
自从Nest被Google以32亿美元收购后,整个智能家居行业都很振奋,有关NEST的新闻铺天盖地,一下子NEST的智能恒温器Thermostat和烟雾探测器Protect被大家所熟知,笔者作为智能家居的行业内人士很早就知道这款智能恒温器产品,并且想把这款产品引进的国内使用,但是详细了解了NEST的这款温控器后,发现这款产品是针对美国的家庭空调系统使用的(美国的空调系统使用的24V控制电压),所以在国内使用有很大的困难,包括空调系统都跟国内不一样。 001Bb7s1gy6GTBf8Q7C78690.jpg
即使是NEST的英国官网也仅推出了智能烟感器,也没有推出温控器,想必也是因为空调系统的控制方式不一样导致的。相信NEST在被Google收购后肯定要做全球的市场推广,针对不同国家的HVAC系统肯定会有不同的产品推出,那么在这之前我们能抢先体验使用这款智能的家居产品吗?在笔者深入研究了解后,答案是肯定的,针对国内的空调系统我们只需做一些技术上的改动便可以使用这款温控器,那么下面我就做详细介绍。
(本文只针对智能家居爱好者或行业资深用户测试参考之用,测试过程可能会发生产品损害或其他问题,务必需要有相关技术经验和动手能力,本文不对任何发生产品损害产生的问题负责,只做技术参考之用!)
1、要知道怎么改造之前,先要了解一下NSET Thermostat在美国是如何应用的,那么就要先了解一下美国的家庭的制冷制热空调系统(HVAC系统)。
001Bb7s1gy6GTBkSIzuf8690.jpg
在美国大部分家庭都是这样的独栋房屋,有一套独立的空调及锅炉系统用来制冷或制热。如图中所示,室外放的热泵系统主机(可以制冷或制热),室内放的空气处理系统主机(包含新风系统)有些寒冷地区会采用燃气锅炉,然后采用风管式空调系统将冷风或热风吹到各个房间,在一层的房间里安装了一个温度控制器,用来控制整个房屋的温度。NEST的智能温控器就是用来替换这个传统温控器的。
由此可见,美国的家庭一般只需要一个温控器就可以控制全宅的空调系统。 对空调系统比较了解的朋友就应该知道美国的这套空调系统跟国内的有所不一样,国内一般别墅住宅多采用冷热水机组空调或VRV系统空调。

001Bb7s1gy6GTBsoC7j7d690.jpg
VRV空调系统
这种空调系统通常在每个房间独立控制本房间的温度,所以在每个房间都有一块空调的控制面板,如果还安装了地暖系统,那么还有一块地暖的控制面板。 所以在国内应用NEST温控器的话,就需要每个房间都安装一个NEST温控器;根据NEST的控制原理,采用日本厂商的冷媒空调系统(比如大金的VRV空调系统)是不能直接控制的,VRV空调系统全部是通过总线以控制协议的方式来控制各个房间的空调,而且协议还是不对外开放的。
如果要用NEST温控器控制空调系统就必须采用水系统主机的风机盘管空调,我们可以间接控制风机盘管的风机和阀门来控制空调。Nest温控器国内应用指南 风机盘管系统。

001Bb7s1gy6GTBvTtyD2f690.jpg
风机盘管系统
2、知道了以上前提后,我们在来了解一下NEST温控器的控制方式。
001Bb7s1gy6GTBAxfKcc4690.jpg
NEST温控器接线图
下面是官方的安装接线指南:
Nest works with 95% of 24V heating and cooling systems, including gas, electric, forced air, variable speed, heat pump, radiant, hot water, solar, and geothermal. It CAN control: Heating: 1, 2 and 3 stages (W1, W2, W3) (制热)
Cooling: 1 and 2 stages (Y1, Y2) (制冷)
Heat pump: with auxiliary and emergency heat (O/B, AUX, E) (热泵)
Humidifier or dehumidifier (HUM, DEHUM) (除湿器)
Fan (G) (风机)
Power (C, Rh, Rc) (电源)
以上可以看出NEST温控器采用的是美国标准24V控制系统,可以控制美国大部分的HVAC产品。 下图展示了美国传统的温控器接线图,可以看到跟NEST的接线基本一致,只接了RH,Y,W,G四根信号线,NEST买回来以后就可以直接替换掉传统的温控器,也就说明了整个美国都是采用统一的控制标准。
001Bb7s1gy6GTBEzpQYc06901.jpg
传统温控器接线图
下面介绍一下美国温控器的控制原理:
001Bb7s1gy6GTBIuZCI44690.jpg
美国温控器原理图
由上图可以分析出,在空调系统主机处会有一个变压器,将家用电压(美国标准120V)转换成24VAC控制电压,通过R线将24+电压传送到温控器,如果有C线那么就是0V(Common),通过W(制热),Y(制冷),G(风机)三个继电器将24V电压传给制热,制冷及风机的信号点来控制相应的设备。
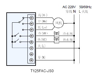
国内常用风机盘管控制器的原理:
001Bb7s1gy6GTBOKzZR57690.jpg
国内风机盘管温控器原理图

由上图可以看出,国内的风机盘管控制器使用国内标准的220V电压通过内部继电器直接控制风机盘管的风机以及水阀达到控制温度的功能。上图是采用了4管制的空调系统,所以分为热水阀跟冷水阀,一般国内普遍使用2管制的空调系统,所以只有一个水阀,也就是冬天的时候室外主机输出热水到各个房间,夏天的时候室外主机输出冷水到各个房间,然后各个房间通过温控器控制各个房间的风机盘管的风机以及水阀的开关达到控制温度的目的。但是有可能客户家里还装了地暖系统,也就是冬天一般不会采用风机供暖,而是使用水地暖系统达到供暖的目的,所以冬天的就会控制地暖的电热阀,夏天控制风机盘管的风机及水阀。如果只有空调就可以都接到空调水阀上。
由此可以分析出,我们要用NEST温控器控制国内的空调系统,就需要把NEST温控器输出的24V控制电压通过继电器转换成220V的控制电压,再去控制终端的空调或地暖设备,间接的达到在国内使用的目的。
001Bb7s1gy6GTBUfjca666901.jpg
W(制热),Y(制冷),G(风机)三个控制点,就需要连接3个控制继电器,继电器输出端分别控制制热的阀门,制冷的阀门,跟风机盘管的风机(常用为3档风机,我们只能控制其中一档)。注意安装改造过程的电压,基本原来就是通过继电器实现弱电控制强电。
这样整个控制改造就实现了,笔者只是使用过美国传统温控器实现控制风机盘管,NEST温控器没有测试过,但是功能及原理是一样的;因为NEST温控器比较智能有很多软件功能,所以测试过程中可能产生的问题需要具体分析。
001Bb7s1gy6GTBWdfRq84690.jpg
在国内我们一般不控制主机,而是控制每个房间的终端风机盘管或是地暖的阀门,所以每个房间都安装的空调或地暖的控制面板。跟在美国使用的区别就是美国是控制空调主机,所以全家只有一个温控器,也就导致了实际上美国使用空调是比较浪费的,只要一个房间开了其他房间都开了。而国内是每个房间独立控制,相对来说比较节能。这也就是美国比较看重温控器节能的原因。
本篇应用指南可能不尽全面,但是也基本介绍了整个空调系统的原理及控制方式,希望能帮助各位智能家居爱好者或是行业相关从业人员。


该会员没有填写今日想说内容.

精彩评论3

World 发表于 2014-7-19 11:49:50 | 显示全部楼层
三菱的冷媒机如何控制?
智能技术共享平台 - 未来论 http://www.mywll.com/
回复

使用道具 举报

GoDlike 发表于 2014-7-23 17:09:39 | 显示全部楼层
World 发表于 2014-7-19 11:49
三菱的冷媒机如何控制?

楼主都说了控不了了。
智能技术共享平台 - 未来论 http://www.mywll.com/
回复

使用道具 举报

yangyou 发表于 2014-10-23 19:18:07 | 显示全部楼层
说的非常得好.学到了很多.
智能技术共享平台 - 未来论 http://www.mywll.com/
回复

使用道具 举报

高级模式
您需要登录后才可以回帖 登录 | 立即注册

本版积分规则

关注2973

粉丝3242

帖子9944

发布主题
推荐阅读 更多
阅读排行 更多
广告位
!jz_fbzt! !jz_sgzt! !jz_xgzt! 快速回复 !jz_sctz! !jz_fhlb! 搜索

智能技术共享平台 - 未来论

关注服务号

进入小程序

全国服务中心:

运维中心:天津

未来之家:天津 青岛 济南 郑州 石家庄

                商务邮箱:xy@mywll.com

Copyright © 2012-2021 未来派 未来论 (津ICP备16000236号-5)