|
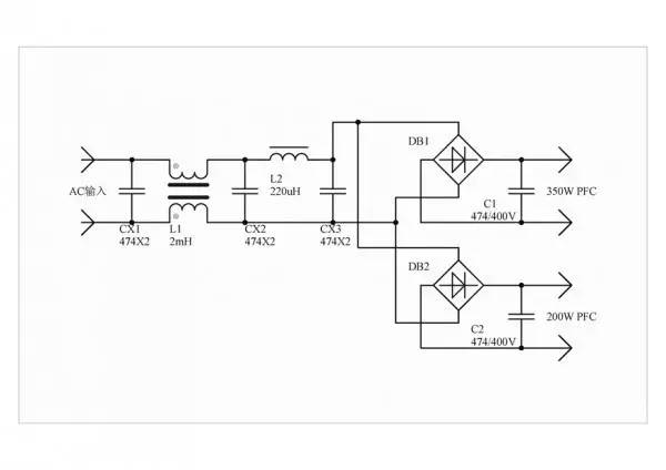
前段时间,一台 稍特殊 的 电源,调试过程中,发现 桥堆 很奇怪的 发热。 在这将 问题查找 及 解决过程 分享一下。 在迷底没揭开之前,也希望网友们 积极分析 其原因。 先大概说一下,这个电源 因特殊要求,要有2组独立的PFC。 这2组独立的PFC,输出分别给2组后续电路供电,调试过程中是用了2组隔离的电子负载进行。如下图:
两路分别带满载,一切正常。 加了点 卡通图片,这样形像一点。 卡通图片 是网上找的,版权归作者所有。
前面,一切顺利。 两路都可以正常带载,好吧,这回一起带载。 可问题来了:两路一起带载时,第二路的桥堆 明显比自己 单独带载时 温度高很多。
经反复测试,现象是: 只要1路带 较大负载,2路的桥堆 就会发热,将1路减到 较小或空载,2路的桥堆 立即降温。 这真的是 闹鬼了? 带大载350W的,反而没有带载200W的桥堆热。 而且还自己带载了,弄得隔壁热。 这叫:隔山打牛? 第一反应: 是不是原理图画错了,导致PCB也错了,两边桥堆串电流了呢? 经检查,没有错,确实已经分开,不是串流。 怀疑各路PFC的CBB电容不够大,两路同时加大一倍容量。结果,第2路桥堆明显降温,但是否降到正常值,当时就没有太去注意。
还试了,C1,C2 还原,把L2短路,也是同样的结果。 第2路桥堆也明显降温。
还试了,C1,C2还原,L2也还原,只把CX3加大,也是同样的结果。 第2路桥堆也明显降温。
试了这么多办法,也就是加大电容就可以明显降低DB2的温度。 估计,很多 工程师 到这就觉得,问题已经解决了。 也不去关心之前为什么热,加了电容又为什么能不热。 这也许是项目紧,时间不允许,弄好了就行。 又或是自己觉得这样就可以用了,没有必要去知道为什么。 其实,做为研发技术人员,在自己能力范围以内还是要尽量找到原因。 这对自己,对产品,对公司 都算是一种负责的态度。 做事的态度是非常重要的。 回头想想,桥堆(或者说二极管)发热,都有哪些常见的原因呢。 最常见的:电流大(两路输出是没有连接的,这点之前怀疑时也确认过) 反向短时间软击穿(不排除有这可能) 后来又想想,总不能是反向恢复问题吧。 想到这,突然眼前一亮,觉得这个可能性非常大,准备验证一下。 验正方法:将发热的整流桥换成快恢复管。 将DB2的正极两个二极管“换成”超快恢复二极管。 温度也明显降低。 看输入功率,比之前 加电容容量 的输入功率还要低约1W。
其实,后面还用 电流探头 分别测了用 桥堆 和用 快管 时的电流波形。 用“慢管”时,确实能测到 反向电流,而且还挺大。 原因是已确定为桥堆反向恢复慢,导致发热。 下图说明了具体原因,同时也能说明为什么做上边那些改动可以降低DB2的发热。
至此,鬼 已被找到,然后再看看用什么合适的办法把它消灭。 用快管当然是最直接的办法,对症下药嘛。 可这样,又觉得比较麻烦,甚至有可能还被业入人士笑我:50Hz 用快管。 最终解决办法,将桥前边的差模电感去掉,给两路分别加差模电感。
小结 1路的PFC,将自己的CBB电容和桥前边的CBB电容电压快速拉低。导致另一路桥堆的电压迅速反向(前边低于后边),而这时桥堆如果正在给后边充电的话,就会因为反向恢复较慢而使电流倒灌。 其实,另一个桥推可能也存在这个问题,只是因为两边功率不一样,导致功率大的那边能把前边电压拉得更低(或者说拉低得更快),所以小功率这边的桥堆发热才较为明显。 要出现这个问题,要达到几个条件: 1.桥堆后至少某边的CBB电容偏小,导致电压会被迅速拉低。 2.桥堆前边的CBB电容也小,同时一起被迅速拉低。 3.输入端串有差模电感(如果共模的漏感够大,也行),阻碍后边快速充电。 4.桥堆是慢速管,有较大的反向恢复电流。 而以上4个条件,前边三个条件是导致电流有机会反向流的原因。发热的原因,则是桥堆的反向恢复速度太慢。 来源:世纪电源网
|